Témata
Reklama

Obrábění odlitků diamantovými nástroji

Společnost KSM Castings CZ z Hrádku nad Nisou patří k nejmoderněji vybaveným výrobním závodům na severu Čech. Zabývá se vývojem a výrobou odlitků z lehkých kovů pro automobilový průmysl. Firma vznikla v roce 1996 a její počátky jsou spojeny se skupinou Thyssen. Od roku 2005 je závod součástí mezinárodní skupiny KSM Castings Group.

Pavel Marek

Patří mezi klíčové osobnosti časopisu MM Průmyslové spektrum, kde řadu let zastával pozici odborného redaktora. Je absolventem strojní fakulty ČVUT v Praze. Po ukončení studia pracoval v Poldi SONP Kladno v závodě Doprava, poté jako konstruktér a projektant ve společnosti ČKD Lokomotivka. Pro MM Průmyslové spektrum pracoval od roku 1999 do roku 2021.

Základní používanou technologií je tlakové lití hliníkových slitin. Z pohledu dnešního návštěvníka se ani nechce věřit, že ke slévárně zpočátku patřila jen malá dílna se třemi obráběcími stroji. Tato situace ale neměla mít dlouhého trvání, neboť vedení společnosti rozhodlo, že cílem bude produkce hotových, kompletně obrobených dílů. Rokem 2004 tak byly zahájeny masivní investice do technologií obrábění, které vyústily asi po pěti letech do otevření nové moderní obrobny. Ta se nyní stala cílem naší návštěvy.

Reklama
Reklama
Reklama

Vyráběné díly

V Hrádku nad Nisou jsme se sešli s Jiřím Svádou, který je autorizovaným distributorem nástrojů značky Walter, a Evou Procházkovou, marketingovou pracovnicí společnosti Walter CZ. Přijal nás vedoucí technolog obrábění Antonín Toločko, jenž nás seznámil s podrobnostmi kolem obrábění odlitků ze slitin hliníku.

V závodě se vyrábějí odlitky spíše menší až střední velikosti do hmotnosti kolem 10 kg. Většina dílů je však menších, běžně jejich hmotnost nepřekračuje 1 kg. Odlité díly putují ze slévárny do oddělení apretace, kde proběhne jejich začištění tryskáním nebo omíláním a tepelné zpracování. Poté jejich cesta vede do obrobny a případně ještě na montážní pracoviště. Jedná se hlavně o součásti pro motory, spojky a převodovky, u kterých jsou kladeny vysoké požadavky na přesnost. K hlavním odběratelům patří společnosti Daimler, ZF, TRW, Denso a řada dalších.

Moderně vybavená obrobna je částečně automatizována. Robot na snímku obsluhuje obráběcí centrum a provádí kontrolní a lisovací operace. Příslušná data jsou pro každý díl archivována.

Nová obrobna

V obrobně je aktuálně k dispozici 31 dvouvřetenových CNC obráběcích center, většinou jde o řadu SW od firmy Emag. Dále je zde 11 soustružnických center, celkem tedy 42 CNC strojů. Obrobna je částečně automatizována, a tak zde najdeme nejen řadu dopravníků a automatizovaných kontrolních stanovišť, ale i několik robotů, které rovněž vykonávají různé manipulační a kontrolní operace. Výroba je plánována a řízena prostřednictvím moderního MES systému, který mimo jiné zpětně poskytuje cenná data nejen o využití všech strojů, ale i jednotlivých řezných nástrojů. Díky tomu lze pro každý nástroj zjistit nejen potřebné technologické parametry, ale i například to, jak dlouho byl v řezu a za jakých podmínek. Kromě toho v loňském roce společnost otevřela v liberecké průmyslové zóně svou druhou obrobnu, která se vyznačuje ještě vyšším stupněm automatizace.

Automatická pračka obrobků. Očištěné díly jsou během své cesty na dopravníku kontrolovány v automatické kontrolní stanici.

PKD nástroje

Technologický vývoj si společnost KSM Castings CZ zajišťuje sama a je součástí jejího know-how. To se týká i obrábění, které je zaměřeno hlavně na produktivní obrábění slitin hliníku, a tak se zde používají především nástroje s letovanými destičkami z polykrystalického diamantu. „Jde asi o 70 až 80 % nástrojů a prakticky všechno to jsou speciály,“ uvádí pan Toločko. Kromě fréz jsou hojně využívány také PKD vrtáky, přičemž většinou jde o sdružené a kombinované nástroje: „S těmito nástroji můžeme vyrábět velice přesné otvory. Tolerance průměrů se pak pohybuje v tisícinách a souososti v setinách milimetru.“

Při výrobě otvorů a ploch se často využívají PKD nástroje. Naopak řezání menších závitů je postupně nahrazováno tvářením pomocí tvrdokovových tvářecích závitníků, neboť u této technologie odpadají problémy s třískami. „Při obrábění dílů z hliníku jsou nejvíce problematické právě třísky a volné otřepy. Proto se snažíme jejich tvorbu omezit,“ vysvětluje pan Toločko. „U fréz z těchto důvodů používáme PKD lamače třísek. Nejsou to zcela běžné nástroje, neboť pro jejich výrobu jsou potřeba velice přesné laserové obráběcí stroje.“

PKD fréza Walter. Speciální geometrie břitových destiček zamezuje tvorbě otřepů.
Tyto díly bylo dříve potřeba ručně začišťovat. Díky nově vyvinuté geometrii břitů PKD frézy Walter bylo možné tuto operaci eliminovat a zvýšit kvalitu obrobené plochy.

Dodávky nástrojů a optimalizace technologie

Společnost sází na tři hlavní dodavatele nástrojů. Jedním z nich je společnost Walter. Spolupráce obecně probíhá tak, že technologové z KSM Castings navrhnou technologii obrábění odlitku, pro kterou dodavatel zkonstruuje a vyrobí potřebné nástroje. Ty se pak otestují přímo ve výrobě za přítomnosti technika dodavatele (v některých případech i konstruktéra nástroje) a proběhne odladění technologie. Na dodavatele nástrojů jsou kladeny vysoké požadavky, od maximální spolehlivosti až po nadstandardní termíny dodávek.

Veškerá data o nástrojích, včetně historie použití, jsou díky MES systému neustále k dispozici.
Pro některé díly je předepsáno rozmezí drsnosti. Pro obrábění takovýchto ploch se používá fréza se zdrsňující destičkou, která je upnuta v kazetě, zatímco ostatní destičky jsou naletované. Přesným seřízením nástroje lze dosáhnout konkrétní požadované hodnoty drsnosti.

Optimalizace technologie probíhá i v průběhu vlastní výroby. Příkladem může být jeden z projektů, kdy při rovinném frézování odlitku vznikaly otřepy, které si vyžadovaly ruční začišťování dílu a i tak byly příčinou řady reklamací. Firmě tím vznikaly vysoké vícenáklady. Společnost Walter proto vyvinula novou speciální geometrii břitů PKD frézy, jejímž výsledkem byl souvislý řez bez otřepů. Tím odpadla jak potřeba dodatečného začišťování obrobku, tak i reklamace.

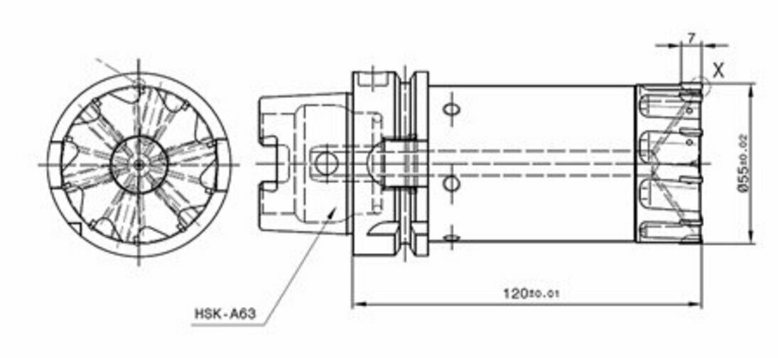
Projekt č. 556; na obrázku jsou odlitky upnuté v obráběcím centru. Zde bylo třeba vyřešit dosažení požadované výšky nerovností Rz a vlnitosti Wt (červeně označené plochy). Obrázek: KSM Castings

Vývoj speciální PKD frézy

Jak takový vývoj diamantového nástroje probíhá, názorně ilustruje příklad projektu označeného číslem 556. Své zkušenosti nám sdělil Milan Vondráček, technik firmy Walter CZ: „V první fázi projektu jsme pro obrábění čelní plochy obrobku zvolili šestibřité PKD frézy o průměru 55 mm. Požadavky na obrobenou plochu od zákazníka byly následující: výška nerovností Rz 10, výška vlnitosti Wt 6, a jelikož se jedná o produkt pro automobilový průmysl, bylo nutné dodržet Rz 6 a Wt max. 4 jako zásahovou mez. Avšak šestibřité PKD frézy se i po všech optimalizacích řezné hrany ukázaly pro toto obrábění jako nevhodné, a navíc byly i pomalé a prodlužovaly čas cyklu (vc = 1 381 m.min-1, fz = 0,03, n = 8 500 min-1, f = 1 530 mm.min-1). Zákazník se obrátil na naši konkurenci a ta dodala frézu, která měla zubů osm. To byla pro nás výzva a společně s kolegy z výroby v německém Niefernu jsme dodali frézu s deseti PKD břity. Použili jsme následující řezné parametry: vc = 1 813 m.min-1, fz = 0,04, n = 10 500 min-1, f = 4 200 mm.min-1.

Nově vyvinutá fréza s deseti PKD břity. Obrázek: Walter

Takto koncipovaná fréza se ukázala jako správná cesta a požadavky na obrobenou plochu splňovala, avšak projevil se problém s životností nástrojů. V současné době již máme k dispozici přínosná data přímo od koncového zákazníka i od KSM. Společně s technology z KSM Castings a výrobou PKD v Niefernu vyvíjíme novou geometrii, která bude splňovat všechny požadavky koncového zákazníka i požadavek KSM na životnost nástroje.“

Výroba dílů pro automobilový průmysl vyžaduje maximální efektivitu a spolehlivost. Při obrábění odlitků ze slitin hliníku k tomu přispívají i speciální PKD nástroje vyvíjené a vyráběné společností Walter.

Pavel Marek, Hrádek nad Nisou

pavel.marek@mmspektrum.com

www.walter-tools.com/cz

www.ksmcastings.com

Reklama
Související články
Obrábění dílů pro kolejová vozidla

Pokud byste se někdy chtěli vydat do Žlebů, osobně doporučuji cestu vlakem. Z Prahy dnes přibližně za hodinu dojedete rychlíkem do Čáslavi. Zde vystoupíte a po letitém příhradovém mostě přejdete přes celé kolejiště na místní nádraží. Očekávat vás tady bude malý motoráček, který vás poveze po unikátní místní dráze.

Jak se obrábí na Valašsku

Obec Veřovice se nachází na úpatí Veřovických vrchů, které jsou součástí západního výběžku Moravskoslezských Beskyd. Jednou z firem, které v obci působí, je společnost Matuš Trade. Zabývá se zakázkovým obráběním kovů a plastů.

Nové frézovací nástroje a digitální výroba

Tübingen je město ležící na řece Neckar a své návštěvníky okouzlí především svým historickým centrem s hrázděnými domy, malebným nábřežím, radnicí s malovanou fasádou či gotickým kostelem. Z centra Stuttgartu se sem dostanete vlakem za necelou hodinku. Právě této blízkosti využila společnost Walter, která zde v předvečer veletrhu AMB uspořádala tiskovou konferenci.

Související články
Muž, který rád obrábí

„Tentokrát navštívíme malou firmu,“ řekla mi do telefonu Eva Procházková, která má ve společnosti Walter CZ na starosti marketing. Na reportáž jsme se vydali do firmy Kovovýroba Hruška do Opavy-Vávrovic.

Reklama
Reklama
Reklama
Reklama
Související články
Obrábění železničních kol a náprav

Společnost Bonatrans Group, a. s., jejíž tradice sahá do roku 1965, se zaměřuje na konstrukci, výrobu a opravy železničních kol, náprav i celých dvojkolí. Dodává je významným světovým výrobcům osobních i nákladních vozů, lokomotiv, tramvají či vysokorychlostních vlaků. Společnost je součástí skupiny GHH-Bonatrans, která je největším světovým výrobcem železničních dvojkolí a své závody má u nás v Bohumíně, dále v Německu a Indii.

S kukuřicí na železniční vagón

Kdo by nevěděl, že budoucnost patří aluminiu! Právě tento materiál se dnes často používá pro stavbu moderních železničních osobních vozů či elektrických jednotek. Nejinak je tomu v ostravské společnosti Škoda Vagonka, a. s., kam jsme se zajeli podívat se zástupci společnosti Walter CZ.

Výroba tlakových lahví pro technické plyny

Společnost Vítkovice Cylinders patřící do lahvárenské skupiny Cylinders Holding je největším výrobcem bezešvých ocelových lahví, nádrží a těles akumulátorů na světě. Historie se datuje od roku 1906, kdy byla vyrobena první bezešvá ocelová lahev.

Provozní testy nového řezného materiálu

Firma Walter AG v loňském roce představila nový řezný materiál označený jako Tiger-tec Gold. Před jeho uvedením na trh byly kromě jiného provedeny rozsáhlé testy u vybraných zákazníků, které potvrdily jeho výjimečné vlastnosti v reálných podmínkách výrobních provozů. Jedním z míst, kde tyto testy probíhaly, byla obrobna české společnosti Persa v Kněževsi nedaleko Prahy.

Když je potřeba řešit „špeky“

Na pozvání společnosti Walter CZ jsem tentokrát zajel do firmy Kovo Děčín, která se zabývá zakázkovým obráběním a výrobou forem. Zde nás přijal jednatel Pavel Bureš, za dodavatele nástrojů přijel Pavel Dušánek, certifikovaný distributor společnosti Walter CZ, a Monika Futáková ze společnosti Walter CZ. Posadili jsme se do zasedačky a pan Bureš nás seznámil s historií společnosti a jejím výrobním programem, čímž jsme se dostali i k nástrojům značky Walter.

V pravou chvíli na pravém místě

Na pozvání společnosti Walter CZ jsem tentokrát vyrazil do Ohrazenic. Zde, v těsné blízkosti Turnova, má svou firmu Milan Mencl. Hlavním oborem jeho podnikání je obrábění odlitků pro automobilový průmysl, konkrétně pro výrobu autobusů.

V Ostravě vznikají díly pro podmořskou těžbu ropy

Historie společnosti V-NASS sahá do roku 1917. Po 2. svštové válce se stala nástrojárnou podniku Vítkovice. Pod současným názvem je známa od roku 1997, kdy byla privatizována a postupně přeměněna n azakázkovou obrobnu, která se specializuje na přesnou a technologicky náročnou výrobu strojních dílů.

Průvodce výběrem břitových destiček

Kdo chce obrábět kov a být přitom konkurenceschopný, potřebuje kombinaci nářadí a řešení nástrojů, která je optimálně uzpůsobená pro příslušnou součást a materiál. Klíčovou roli hraje součást, která je v přímém kontaktu s obrobkem: břit – respektive vyměnitelná břitová destička, tedy jeho vyměnitelná součást.

Udržitelná výroba obráběcích nástrojů

U společnosti Walter, odborníka na obráběcí nástroje, je udržitelnost důležitou součástí firemní strategie. Již od roku 2013 firma nabízí pod značkou Walter Green obráběcí nástroje s plnou kompenzací CO2. Prostřednictvím svého renovačního servisu Walter již několik let rovněž poskytuje službu, která může až ztrojnásobit životnost vysoce kvalitních obráběcích nástrojů. Firma si stanovila i ambiciózní cíle pro tuto dekádu: Do roku 2030 se emise CO2 celé společnosti mají snížit na polovinu a produkty i obaly se budou vyrábět z 90 % z recyklovaných materiálů.

O polovinu delší
životnost nástroje

Výrobce nástrojů Walter každých šest až sedm let přichází s novou generací řezných materiálů s výrazně vylepšenými vlastnostmi. Nové vlastnosti poslední novinky – materiálu Tiger∙tec Gold pro soustružení – vysvětlují v rozhovoru Jörg Drobniewski, vedoucí oddělení pro řezné materiály, a Gerd Kußmaul, vedoucí produktový manažer pro soustružení. Rozhovor vedl Frederick Rindle.

Reklama
Předplatné MM

Dostáváte vydání MM Průmyslového spektra občasně zdarma na základě vaší registrace? Nejste ještě členem naší velké strojařské rodiny? Změňte to a staňte se naším stálým čtenářem. 

Proč jsme nejlepší?

  • Autoři článků jsou špičkoví praktici a akademici 
  • Vysoký podíl redakčního obsahu
  • Úzká provázanost printového a on-line obsahu ve špičkové platformě

a mnoho dalších benefitů.

... již 25 let zkušeností s odbornou novinařinou

      Předplatit