Témata
Reklama

Příčiny vzniku a omezení ložiskových proudů motoru

Asynchronní motory jsou díky svým vlastnostem nejrozšířenějším druhem motorů v celém spektru aplikací, ať již v průmyslu, vodárenství nebo zařízení budov a mnoha dalších. Historie vývoje asynchronních motorů je naplněna touhou po zvyšování efektivnosti přenosu energie, účinnosti samotného stroje a zejména také o úsporách v konstrukčním provedení a v samotné výrobě.

Značným posunem v možnostech použití asynchronních motorů bylo použití soustavy měnič kmitočtu společně s asynchronním motorem. Asynchronní motor byl navržen pro napájení se sinusovým průběhem, toho se ale při kombinaci s frekvenčním měničem dosahuje velmi obtížně. S tímto tedy vyvstaly některé problémy zejména u levnějších nebo nekvalitně provedených motorů. Nejvíce se s problematikou poruch asynchronních motorů setkáváme u izolace vinutí motoru, a v některých případech i u jiných částí motoru např. u ložisek, kde může docházet k nadměrnému opotřebení nebo poškození. Poškozování ložisek vlivem indukování napětí v těch částech motoru, které nejsou přímo připojeny na napájecí síť (např. hřídel), bylo poprvé zaznamenáno před více než sto lety.

Reklama
Reklama
Reklama

Konstrukční díly elektromotorů

Jak již bylo uvedeno výše, motory byly a stále jsou konstruovány pro sinusový průběh napájecího napětí. S vývojem elektroniky a nástupem měničů kmitočtu se vývoj v konstrukci asynchronních motorů zaměřil na konstrukční díly elektromotorů, jako jsou ložiska, maziva, typy izolací apod. Čím jsou tyto komponenty robustnější a osvědčené, tím méně požadavků kladou na servis a údržbu. Hlavní příčinou poškození ložisek zpravidla nebývá měnič kmitočtu, ale k poškození částí častěji dochází vlivem nepřiměřeného tepelného namáhání, mechanického namáhání anebo chemické degradace.

Pokrok v metalurgii a mazací technice ve spojení s moderními výrobními postupy výrazně zvyšuje efektivitu, výkon, životnost indukčních motorů a prakticky potlačuje poškození ložisek mechanickými vlivy. Jen pro názornost, například životnost ložiska s moderními ložiskovými tuky může dosáhnout až 50 000 provozních hodin, samozřejmě za optimálních podmínek, čímž je myšlena rychlost otáčení, režim údržby apod.

Napětí na hřídeli a vznik ložiskových proudů

Asymetrie pocházející z výrobních tolerancí

Podívejme se blíže na příčiny ložiskových proudů vznikajících z výrobních tolerancí. Nejčastější příčinou je asymetrie v magnetickém obvodu stroje. Asymetrie vyplývá z konstrukce stroje a z nesprávného nastavení vůlí při konstrukci. V ideálním případě magnetický tok prochází ze statorového vinutí přes vzduchovou mezeru stroje do rotoru. Za normálních podmínek se pole procházející vzduchovou mezerou rozdělí rovným dílem tak, že polovina je ve směru hodinových ručiček a druhá polovina proti. Ovšem pokud se vyskytne rozdíl v reluktanci v jednom a druhém směru, pak nastane nerovné rozdělení toku a objeví se tok, který se bude uzavírat přes hřídel, ložiska a kostru motoru (viz obr. 1.)

Obr. 1. Rozdělení magnetického toku

Další příčinou zejména u větších motorů může být homopolární tok mezi statorem, rotorem a hřídelí. To se týká motorů s osovou výškou 400 mm a vyšší. Tento tok uzavírá přes rotor, stator a hřídel motoru. Jak tento tok prochází skrz vzduchovou mezeru dále do rotoru, tak vygeneruje napětí na hřídeli a vznikající proud se začne uzavírat přes ložiska, kde může způsobovat poškození.

Mezi výčet možných příčin lze zařadit i elektrostatickou elektřinu. Vznik elektrostatických výbojů je závislý na koncepci celého stroje, prostředí, ve kterém je motor provozován, nebo aplikaci. Vzniklý elektrostatický náboj např. na hřídeli se potom může vybít přes ložiska a rám motoru.

V neposlední řadě je možné do kategorie výrobních asymetrií zařadit i typ samotných ložisek a jejich maziv. Mezi standardní provedení ložisek patří kuličková a valivá ložiska pro indukční motory. Typ ložisek závisí na použití stroje, tedy na aplikaci. Co se týká lubrikantů, tak mezi hlavní vlastnosti maziv by mělo patřit snížení tření mezi prvky ložiska, pomoc s odvodem tepla generovaného uvnitř ložiska a ochrana leštěných ploch ložisek proti prachu a znečištění. V některých případech může lubrikant sloužit i pro přerušení cesty proudu skrz ložisko.

Vlivy napájení – napájení měničem kmitočtu

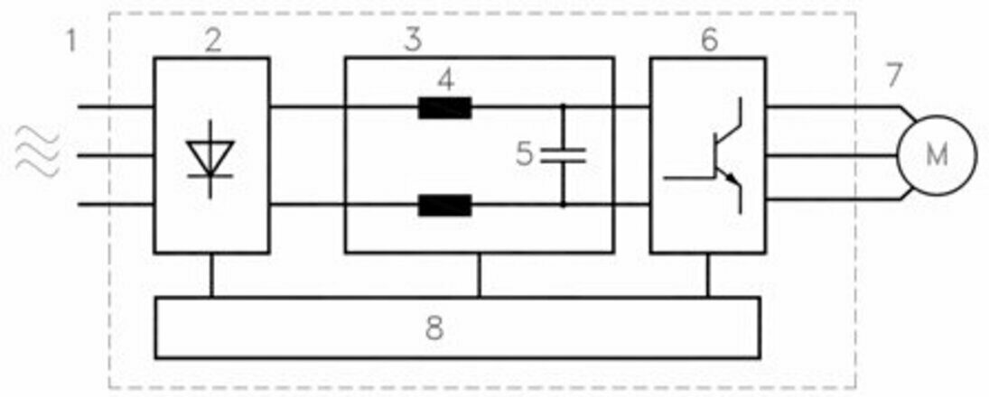
Nejprve se podívejme na uspořádání měnič kmitočtu – motor (viz obr. 2). Měnič je většinou napájen z třífázové soustavy (může být i jednofázová, event. mohou být využity speciální typy napájení např. přímo do meziobvodu). Toto vstupní napájení je pomocí usměrňovače upraveno na stejnosměrné a vyhlazeno pomocí stejnosměrného meziobvodu. Ze stejnosměrného meziobvodu energie putuje do střídače, který převádí stejnosměrné napětí opět na střídavé tak, aby byly splněny požadavky na regulaci otáček asynchronního motoru. V tomto bodě dochází k tomu, že výstupní napájení z měniče a tedy i vstupní napájení do motoru není sinusové.

Obr. 2. Princip měniče kmitočtu: 1 – síťové napájení, 2 – usměrňovač, 3 – stejnosměrný meziobvod, 4 a 5 – prvky pro vyhlazení SS napájení, 6 – střídač, 7 – výstup, 8 – řízení celého FM

Obr. 3. Na obrázku jsou znázorněny 3 proudy I1, I2 a I3. Proud I1 je proud, který teče přímo do zemnicího vodiče a zpět do měniče. Proud I2 se vrací do měniče přes alternativní cesty – většinou přes montážní díly motoru. Tento proud neprochází ložisky a je tedy z tohoto pohledu neškodný. Může ale způsobit problémy z hlediska EMC. I3 je proud nebezpečný pro ložiska, vzhledem k cestě, kterou se uzavírá, a stejně tak jako I2 může způsobit problémy s EMC.

Jak tedy předcházet ložiskovým proudům?

Příčin vzniku může být několik a souhra několika okolností může způsobit, že se tyto problémy objeví nebo naopak vymizí. Obrana proti vzniku ložiskových proudů by se dala rozdělit na dvě skupiny: 1. základní, 2. pokročilá obrana. Zcela mimo možnosti uživatele asynchronního motoru jsou konstrukční úpravy motoru v souvislosti s návrhem motoru tak, aby bylo dodrženo symetrické magnetické pole uvnitř motoru.

Mezi základní obranu lze zařadit v první řadě kontrolu, zda motor a zátěž jsou v souladu. Dále jednou ze zásadních věcí je plně dodržovat zásady správné instalace zařízení a zejména EMC doporučení. Pokud je k regulaci otáček motoru použit frekvenční měnič, tak vzhledem k vysokým spínacím frekvencím na výstupu z měničů kmitočtu je dobré dodržet plně doporučení výrobce v oblasti správné instalace z pohledu opět elektromagnetické kompatibility – tedy EMC. U měničů kmitočtu Danfoss je, na rozdíl od jiných výrobců, přímo doporučeno uzemnit stínění motorového kabelu na obou koncích – tj. jak na straně měniče, tak na straně motoru, a to nejlépe celoplošným uchycením (např. EMC průchodkou apod.). V neposlední řadě je třeba dodržet průřezy pro PE vodiče a eventuálně tyto kabely posílit.

Mezi pokročilou obranu můžeme zařadit úpravy v nastavení měniče kmitočtu anebo použít další přídavná zařízení. Je možné, že ložiskový proud vzniká právě proto, že průběh napětí a proudu z měniče je PWM modulací generován nepříznivě pro motor a při změně tvaru pulzů bychom mohli eliminovat nežádoucí ložiskové proudy nebo napětí. Proto lze výstupní frekvenci a tvar výstupního napětí měnit, a to nastavením výstupní spínací frekvence. U měničů Danfoss existuje možnost úpravy spínací frekvence ve skupině parametrů, která se nazývá speciální funkce. Zde je tedy možné upravit spínací kmitočet a je doporučeno použít co nejnižší spínací frekvenci.

Tematika ložiskových proudů je stále ještě předmětem zkoumání. Obecně je možné říci, že problémy s jiskřením v ložiscích, ložiskové proudy, napětí na hřídeli motoru se v praxi většinou řeší u motorů s osovou výškou větší než 280 mm. Pokud se ale problémy vyskytnou i na menších motorech, je vždy možné některým z výše uvedených postupů reagovat na vzniklou situaci a ve většině případů nalézt řešení.

Lucie Bjačková


Danfoss
U244135@danfoss.com
//www.danfoss.cz/VLT

Použitá literatura:
[1] GAMBICA/REMA Working Group: VARIABLE SPEED DRIVES AND MOTORS - Motor Shaft Voltages and Bearing Currents under PWM Inverter Operation

[2] GAMBICA/REMA User Guide No. 2: Motor Shaft Voltages and Bearing Currents

[3] DIAGNOSTIKA POŠKOZENÍ LOŽISKA PRŮCHODEM ELEKTRICKÉHO PROUDU
Karel CHMELÍK, VŠB-TU Ostrava, FEI
Jiří POSPÍŠILÍK, VŠB-TU Ostrava, FEI

[4] Danfoss - Geilager Gregers - Secondary effects on output side of VSD and mitigation methods

Reklama
Vydání #1,2
Kód článku: 120133
Datum: 15. 02. 2012
Rubrika: Trendy / Pohony
Autor:
Firmy
Související články
Harmonizace ve svařování

Mezinárodní harmonizace norem a pravidel pro svařování je důležitá z mnoha důvodů. Primárním důvodem je skutečnost, že svařování je považováno za "zvláštní proces" (EN ISO 9001), při kterém nelze zcela zjistit jakost po skončení procesu inspekcí, ale jakost musí být sledována před i v průběhu celého procesu svařování.

Pomocník pro plánování výroby

Většina lidí dnes ví, že žádná firma, která chce být konkurenceschopná, neobejde bez kvalitního ERP. Díky němu lze především řídit procesy, a to doslova všechny. Ne každý si však uvědomuje, jak velké mohou být rozdíly mezi systémy pro jednotlivé oblasti podnikání. Asi nejsofistikovanější ERP najdeme bezesporu ve výrobních firmách.

Lesk a bída českých obráběcích strojů

Česká republika, resp. tehdejší Československo, mělo bohatou historii ve výrobě obráběcích strojů. Kde v období největší slávy byli ve svých inovačních počinech současní světoví lídři, když např. kovosviťácký konstruktér Ladislav Borkovec se již v roce 1977 začal zaobírat myšlenkou multifunkčního soustružnicko-frézovacího stroje? Přes dřevěný kinematický model, který si vytvořil doma v dílně, vedla dlouhá cesta až k prototypu prezentovanému  na EMO v Paříži v roce 1980. Po vyrobení 45 strojů řady MCSY, které nenazval nikdo jinak než „Boháro“, byla z ekonomických důvodů a nedostupnosti kvalitní řídicí elektroniky bohužel výroba v tehdejším Kovosvitu ukončena. Dva bývalé kovosviťáky, srdcem i duší, Jiřího Mindla a Vladislava Čítka, jsem díky jejich letitým zkušenostem celoživotního zasvěcení oboru obráběcích strojů požádal o rozpravu nad současným stavem tuzemského oboru výrobních strojů a nad tím, jaké jsou jeho případné perspektivy.

Související články
Pokročilé mazání pro úspornost a spolehlivost

Věda a výzkum přinášejí zcela unikátní řešení i pro procesy zdánlivě zavedené a v oblastech, kde by inovace laik neočekával. Každý pozitivní a použitelný krok ke zlepšení klimatické situace naší planety je přínosem a jednou z nesmírně efektivních, užitečných, a vlastně poměrně snadných a finančně nenáročných záležitostí. Takovými by mohly být aplikace pokročilých tribologických řešení především pro dopravu, průmysl a výrobu energií.

Reklama
Reklama
Reklama
Reklama
Související články
Od konstrukce strojů po parkovací věže

Mezi starší generací strojařů pravděpodobně není nikoho, kdo by neznal původem škodováka Josefa Bernarda z Jičína. Tento strojírenský nadšenec příští rok oslaví své sedmdesátiny. Před třiceti lety po odchodu z místního Agrostroje položil základy společnosti Vapos, která dává perspektivní práci patnácti desítkám lidí z Jičína a blízkého okolí.

Pod dvou letech opět na EMO do Hannoveru

Od 16. do 21. září 2019 se uskuteční 22. ročník největšího světového veletrhu zpracování kovů EMO. Megaakce se koná opět v Německu, které je po Číně a USA třetím největším trhem obráběcích strojů na světě. Veletrhu se účastní téměř 2 100 vystavovatelů ze 47 zemí světa. Z České republiky se očekává účast 28 firem na ploše necelých 1 700 m2. Na minulý veletrh v roce 2017 přijelo do Hannoveru z České republiky přes 2 200 odborníků.

CIMT Peking, Část 1. Obecný pohled

V předvelikonočním týdnu se v Pekingu uskutečnil veletrh obráběcích strojů CIMT 2019. V asijském regionu se jedná o obdobu veletrhu EMO Hannover. A stejně jako EMO je velkou měrou národní výstava německé výrobní techniky, tak CIMT je převážně čínský. V tomto prvním vstupu se podíváme na letošní ročník trochu s odstupem, aniž bychom se zaměřili na konkrétní exponáty.

Soutěž pro středoškoláky

Jubilejní, již pátý ročník soutěže o Putovní pohár partnerských škol Siemens - Sinumerik Cup se letos konal v Mohelnici, v prostorech zdejší Střední školy technické a zemědělské a stejně jako před třemi lety, kdy tato škola byla hostitelem, i letos zdejší ředitel Jiří Ženožička se svým týmem organizaci pojal velmi profesionálně.

Opřít se o silného partnera

V dnešní době hospodářského růstu mnoho firem přemýšlí o rozšíření výroby. To se však neobejde bez úvah o tom, kde získat prostředky na nové stroje a zařízení. Řešení má jméno SGEF.

Veletržní válka světů

Redakce MM Průmyslového spektra věnovala šanghajskému veletrhu obráběcích strojů CCMT 2018 nemalou pozornost ve zpravodajství, které bylo uveřejňováno na webových stránkách v rubrice Očima redakce. V tomto článku a na přiložených obrázcích jsou zaznamenány veletržní postřehy, čínský kolorit, veletržní statistiky i holá fakta z oblasti čínského průmyslu. Něco málo o čínské výrobní technice a technologiích, které byly prezentovány na CCMT 2018, i pár dalších postřehů, jsme připravili do tohoto vydání.

Obráběcí stroje pro produkční výrobu

Po sérii článků v minulém vydání se v posledním poohlédnutí po letošním hannoverském veletrhu EMO věnujeme důležité oblasti, a to jednoúčelovým strojům. I v letošním ročníku byla část expozic věnována této komoditě pro produkční výrobu a my se podíváme, co trh zákazníkům nabídl. Proč? Menším dílem proto, že se jim dlouhá léta autor (nejen) profesně věnuje, dílem podstatným proto, že jsou na nich „bytostně“ závislé veškeré obory nejen strojírenské či technické, ale i stavebnictví, telekomunikace, zdravotnictví a další.

Sázejme olivovníky, ať mají naši potomci co sklízet

Profesor Stanislav Hosnedl se celý svůj odborný život věnuje oboru konstruování výrobních strojů a zařízení. Značným podílem přispěl k rozvoji konstrukční vědní disciplíny Engineering Design Science and Methodology, ve které se stal uznávaným odborníkem nejen u nás, ale i v zahraničí. K jeho pedagogické a vědecké činnosti jej přivedly kroky z výrobní praxe. Tak by tomu mělo být. Stanislav Hosnedl je Plzeňák tělem i duší s aktivními kontakty po celém světě. Bylo nám ctí, že jsme mu mohli na letošním MSV v Brně předat Zlatou medaili za celoživotní tvůrčí technickou práci a dosažené inovační činy.

Cena MM Award na EMO

Ocenění MM Award od našich německých kolegů z časopisu MM MaschinenMarkt je specialitou veletrhů pořádaných nejen v Evropě, ale po celém světě. Nejinak tomu bylo i na letošním hannoverském EMO, kde proběhlo slavnostní předání exponátům, které odbornou porotu zaujaly. Ceny jsou udělovány ve spolupráci se svazem VDW. Protože se jedná o jediné oficiální ceny udělované na veletrhu EMO a značky MM, VDW a EMO jsou dobře známé v oboru výrobní techniky, věnujeme jim svoji pozornost v retrospektivě veletrhu.

Chytré stroje přivádějí továrny k životu

Bezpečné balicí stroje připojené k Ethernetu zvyšují produktivitu, zlepšují flexibilitu, snižují komplexnost konstrukce a řeší problémy pracovníků v provozu.

Reklama
Předplatné MM

Dostáváte vydání MM Průmyslového spektra občasně zdarma na základě vaší registrace? Nejste ještě členem naší velké strojařské rodiny? Změňte to a staňte se naším stálým čtenářem. 

Proč jsme nejlepší?

  • Autoři článků jsou špičkoví praktici a akademici 
  • Vysoký podíl redakčního obsahu
  • Úzká provázanost printového a on-line obsahu ve špičkové platformě

a mnoho dalších benefitů.

... již 25 let zkušeností s odbornou novinařinou

      Předplatit